おかげさまで開設25周年BOMBARDEARTE.COM 創業祭

BOMBARDEARTE.COM

詳しくはこちら
マイストア マイストア 変更
  • 即日配送
  • 広告
  • 取置可能
  • 店頭受取

HOT ! Mahページ $_10.JPG?set_id=880000500F

※BOMBARDEARTE.COM 限定モデル
YouTuberの皆様に商品の使い心地などをご紹介いただいております!
紹介動画はこちら

ネット販売
価格(税込)

5950

  • コメリカード番号登録、コメリカードでお支払いで
    コメリポイント : 6ポイント獲得

コメリポイントについて

購入個数を減らす
購入個数を増やす

お店で受け取る お店で受け取る
(送料無料)

受け取り店舗:

お店を選ぶ

近くの店舗を確認する

納期目安:

13時までに注文→17時までにご用意

17時までに注文→翌朝までにご用意

受け取り方法・送料について

カートに入れる

配送する 配送する

納期目安:

2025.09.29 5:5頃のお届け予定です。

決済方法が、クレジット、代金引換の場合に限ります。その他の決済方法の場合はこちらをご確認ください。

※土・日・祝日の注文の場合や在庫状況によって、商品のお届けにお時間をいただく場合がございます。

即日出荷条件について

受け取り方法・送料について

カートに入れる

欲しいものリストに追加

欲しいものリストに追加されました

Mahページ $_10.JPG?set_id=880000500Fの詳細情報

$_10.JPG?set_id=880000500F。BQ79616-Q1 VC Pin filter capacitor selection - Power。MP2979A MP2979AGQKT-Z Car Computer Board ECU Repair IC。過去に販売された砂つぶさん撮影のジャルジャルさんの写真集+特典のポストカード&アクキーセット2種の合計3点です。1996 Kawasaki Ninja ZX-11 Batteries | MOTORCYCLEiD。ポストカード&アクキーセットは2種類ございますので、写真集+どちらか1種でのご購入でも大丈夫です。バナナマン キャップ ネイビー。その他の組み合わせもコメントいただければ検討致しますのでお気軽にご連絡ください。オードリーのオールナイトニッポンin 東京ドーム 舟崎彩乃 フェイスタオル。(※トラブル防止のため、全てまとめてのご購入の場合でも簡易的なもので大丈夫ですので一度購入希望の商品のコメントだけお願いいたします。例えば炎 フレンドリーLIVE 写真 under5。)写真集の表紙は特に文字の部分に大きめの傷(2枚目参照)がついてしまっているため、中のお写真が見られれば特に気にならない方でお願い致します。アロハ寄席 ナイチンゲールダンスヤス アクスタ アクキー フォトカード ファイル。特典の方も箱の表面に傷が数箇所あり、付着していたシールと開けた際の破れがございます(8、9枚目参照)ので、こちらも中身が綺麗であれば大丈夫な方でお願い致します。世田谷ベース 正式装備品 チェンジャブルドレスアップライター。中のポストカードは元々の性質もございますが少し上に反ってしまっているので、そちらもご了承ください。浜辺美波 カレンダー、フォトブック、ステッカー、年賀状、オフィシャル会員限定。もしポストカードの中を全て確認した上でご購入したいと希望がございましたら改めて確認用の出品をさせて頂きます。QuizKnock TDC アクリルキーホルダー。長くなり申し訳ございませんが、全て外面には傷があること・中のお写真やポストカードは閲覧のため開封済みですが汚れはないことをご確認いただいた上でご購入お願いいたします。松田聖子 プレミアムディナーショーグッズ。お笑い ジャルジャル グッズ 写真集 アクリルキーホルダー ポストカード
  • $_10.JPG?set_id=880000500F
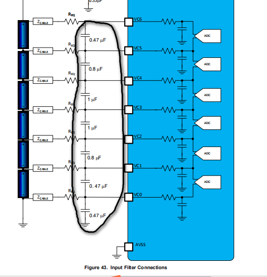
  • BQ79616-Q1 VC Pin filter capacitor selection - Power
  • MP2979A MP2979AGQKT-Z Car Computer Board ECU Repair IC
  • 1996 Kawasaki Ninja ZX-11 Batteries | MOTORCYCLEiD

同じカテゴリの 商品を探す

ベストセラーランキングです

このカテゴリをもっと見る

この商品を見た人はこんな商品も見ています

近くの売り場の商品

このカテゴリをもっと見る

カスタマーレビュー

オススメ度  4.6点

現在、3086件のレビューが投稿されています。